Reference Guide

Index
Search
Glossary
Contents
Help

Product Information

Printer Specifications

Printing
Printable area
Mechanical
Electrical
Environmental
Initialization
Standards and Approvals
Paper
Ink cartridges

Printing

Printing method

On-demand ink jet

Nozzle configuration

Photo Quality Ink Set Mode

Black: 180 nozzles x 3
(Photo Black, Matte Black, Light Black)

Color: 180 nozzles x 5
(Cyan, Magenta, Light Cyan, Light Magenta, Yellow)

High Speed Ink Set Mode

Black: 180 nozzles x 2
(Matte Black x 2)

Color: 180 nozzles x 6
(Cyan x 2, Magenta x 2, Yellow x 2)

Character mode

Character Pitch

Printing Column

10 cpi*

167

*  characters per inch

Raster graphic mode

Horizontal resolution

Printable width

Available dots

360 dpi*

451.98 mm
(17.79 inches)

6404

720 dpi

451.98 mm
(17.79 inches)

12808

1440 dpi

451.98 mm
(17.79 inches)

25617

2880 dpi

451.98 mm
(17.79 inches)

51235

*  dots per inch

Resolution

Maximum 2880 dpi x 1440 dpi

Print direction

Bidirectional

Control code

ESC/P Raster

Line spacing

1/6 inch or programmable in 1440 inch increments

Paper feed speed

215 ± 10 mm seconds per 1/6 inch line

RAM

32 MB

Character tables

PC 437 (US, Standard Europe),
PC 850 (Multilingual)

Character sets

EPSON Courier 10 cpi


[Top]

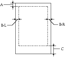
Printable area

A

Roll paper

The minimum top margin is 3.0 mm (0.12")

Cut sheets

The minimum top margin is 3.0 mm (0.12")

B-L

Roll paper

The minimum top margin is 3.0 mm (0.12")

Cut sheets

The minimum top margin is 3.0 mm (0.12")

B-R

Roll paper

The minimum top margin is 3.0 mm (0.12")

Cut sheets

The minimum top margin is 3.0 mm (0.12")

C

Roll paper

The minimum top margin is 3.0 mm (0.12")

Cut sheets

The minimum top margin is 3.0 mm (0.12")

For roll paper, the following margin widths can be selected using the control panel as follows. For details, see PAPER MARGIN.

Parameter

A

B-L

B-R

C

T/B 15 mm (Default)

15 mm

3 mm

3 mm

15 mm

15 mm

15 mm

15 mm

15 mm

3 mm

3 mm

3 mm

3 mm

3 mm

3 mm

Note:
The printer automatically detects the dimensions of the paper that is loaded. Print data that exceeds the printable area of the paper cannot be printed.


[Top]

Mechanical

Paper feed method

Friction

Paper path

Roll paper

Cut sheets (paper tray/front manual insertion/rear manual insertion)

Dimensions

Width: 848 mm (33.92 inches)
Depth: 762 mm (30.48 inches)
Height: 369 mm (14.76 inches)

Weight

Approx. 40kg (88.2 lb) without consumables


[Top]

Electrical

Rated voltage:

100 V to 240 V

Input voltage range:

90 to 264 V

Rated frequency range:

50 to 60 Hz

Input frequency range:

49 to 61 Hz

Rated current:

1.0 - 0.5 A

Power consumption:

Approx. 59 W or less when printing(ISO10561 Letter Pattern)

18 W or less in sleep mode

Approx. 1 W or less when printer is off

Note:
Check the label on the back of the printer for voltage information.


[Top]

Environmental

Temperature

Operation

10 to 35°C (50 to 95°F)

Print Quality Guarantee

15 to 25°C (59 to 77°F)

Storage

-20 to 40°C (-4 to 104°F)
-20 to 60°C (-4 to 140°F)*

Transit

1 month at 40°C (104°F)
120 hours at 60°C (140°F)

Humidity

Operation

20 to 80% RH**

Print Quality Guarantee

40 to 60% RH**

Storage

20 to 85% RH*

Transit

5 to 85% RH*,**

*  Stored in shipping container
**  Without condensation

Operational conditions (temperature and humidity):


[Top]

Initialization

Hardware initialization at power on

The printer mechanism is set to its initial state.

The input data buffer and print buffer are cleared.

The printer returns to the default condition last set.

Software initialization when the ESC@ (initialize the printer) command is received

The print buffer is cleared.

The printer returns to the default condition last set.

Panel button initialization by pressing the Pause button on the control panel for 3 seconds, or *INI signal is sent

Print head capping occurs.

Paper is ejected, if any.

The input data buffer and print buffer are cleared.

The printer returns to the default condition last set.


[Top]

Standards and Approvals

Safety

UL 60950

CSA 22.2 No. 60950

Low Voltage Directive 73/23/EEC

EN 60950

EMC

FCC part 15 subpart B class B

CSA C108.8 class B

AS/NZS 3548 class B

EMC Directive 89/336/ECC

EN 55022 Class B

EN 55024

EN 61000-3-2

EN 61000-3-3


[Top]

Paper

Roll paper:

Size

203 mm (8 inches) to 432 mm (17 inches) (W) x 45000 mm (1771.68 inches) (L) when internal diameter is 2 inches

203 mm (8 inches) to 432 mm (17 inches) (W) x 202000 mm (7952.88 inches) (L) when internal diameter is 3 inches

Outer diameter

103 mm (4.05 inches) maximum when 2/3 dual roll feed spindle is set as 2 inch roll paper spindle

150 mm (5.90 inches) maximum when 2/3 dual roll feed spindle is set as 3 inch roll paper spindle.

Paper types

Plain paper, special papers distributed by Epson

Thickness
(for plain paper)

0.08 mm to 0.11 mm (0.003 inches to 0.004 inches)

Weight
(for plain paper)

64 gf/m2 (17 lb) to 90 gf/m2 (24 lb)

Cut sheets:

Size

8 inches x 10 inches, 203.2 mm x 254 mm

A4 (210 mm x 297 mm)

Letter (8.5 inches x11 inches, 215.9 mm x 279.4 mm)

B4 (257 mm x 364 mm)

11 inches x 14 inches, 279.4 mm x 355.6 mm

US B (11 inches x 17 inches, 279.4 mm x 431.8 mm)

A3 (297 mm x 420 mm)

300 mm x 450 mm

Super A3/B (329 mm x 483 mm)

B3 (364 mm x 515 mm)

A2 (420 mm x 594 mm)

16 inches x 20 inches, 406.4 mm x 508 mm

US C (17 inches x 22 inches, 431.8 mm x 558.8 mm)

Paper types

Plain paper, special papers distributed by Epson

Thickness
(for plain paper)

0.08 mm to 0.11 mm (0.003 inches to 0.004 inches)

Weight
(for plain paper)

64 gf/m2 (17 lb) to 90 gf/m2 (24 lb)

Note:
  • Since the quality of any particular brand or type of paper may be changed by the manufacturer at any time, Epson cannot attest to the quality of any non-Epson brand or type of paper. Always test samples of paper before purchasing large quantities or printing large jobs.
  • Poor quality paper may reduce print quality and cause paper jams or other problems. If you encounter problems, switch to a higher grade of paper.
  • When the paper is curled or folded, flatten them before loading.


[Top]

Ink cartridges

Colors

Photo Black (not available for High Speed Ink Set)

Matte Black

Light Black (not available for High Speed Ink Set)

Cyan

Magenta

Yellow

Light Cyan (not available for High Speed Ink Set)

Light Magenta (not available for High Speed Ink Set)

Cartridge life

2 years from production date if unopened.

Within 6 months after opening package.

Temperature

Storage (uninstalled)

-30 to 40°C (-22 to 105°F)

1 month at 40°C (104°F)

Storage (installed)

-20 to 40°C (-4 to 104°F)

1 month at 40°C (104°F)

Capacity

110 ml

220 ml

Dimensions

110 ml: 25.1 mm (W) x 165.8 mm (D) x 105.3 mm (H)
(0.98 inches (W) x 6.52 inches (D) x 4.14 inches (H))

220 ml: 25.1 mm (W) x 280.8 mm (D) x 105.3 mm (H)
(0.98 inches (W) x 11.05 inches (D) x 4.14 inches (H))

Weight

110 ml: Approx. 200g (0.44 lb)

220 ml: Approx. 385g (0.85 lb)

Caution:
Epson recommends the use of original Epson ink cartridges only. Other products not manufactured by Epson may cause damage to your printer not covered by Epson's warranties.


[Top]


Next
Version 1.10E, Copyright © 2004, SEIKO EPSON CORPORATION