|
|
|
|||||||||||||||||||||||||||||||||
Product Information
Printing
Printable area
Mechanical
Electrical
Environmental
Initialization
Standards and Approvals
Paper
Ink cartridges
|
Printing method |
On-demand ink jet |
|
Nozzle configuration |
Black: 180 nozzles |
Character mode:
|
Character Pitch |
Printing Column |
|
10 cpi* |
437 |
| * characters per inch |
Raster graphics mode:
|
Horizontal resolution |
Printable width |
Available dots |
|
360 dpi* |
1112 mm |
15762 |
|
720 dpi |
1112 mm |
31524 |
|
1440 dpi |
1112 mm |
63048 |
| * dots per inch |
|
Resolution |
Maximum 1440 dpi x 720 dpi |
|
Print direction |
Bidirectional |
|
Control code |
ESC/P Raster |
|
Line spacing |
1/6 inch or programmable in 1/720 inch increments |
|
Paper feed speed |
200 ± 10 mm seconds per 1/6 inch line |
|
RAM |
External 128 MB (fixed) |
|
Character tables |
PC 437 (US, Standard Europe), |
|
Character sets |
EPSON Courier 10 cpi |
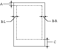
Roll paper and cut sheets
|
A |
For roll paper, the minimum top margin is 3.0 mm (0.12")*. |
|
B-L |
For roll paper, the minimum left margin is 3.0 mm (0.12")*. |
|
B-R |
For roll paper, the minimum right margin is 3.0 mm (0.12")*. |
|
C |
For roll paper, the minimum bottom margin is 3.0 mm (0.12")*. |
| * For roll paper, the following margin widths can be selected using the control panel as follows. For details, see "ROLL MARG" in Printer Setting menu (PRINTER SETTING MENU). |
|
Parameter |
A |
B-L |
B-R |
C |
|
3 mm |
3 mm |
3 mm |
3 mm |
3 mm |
|
15 mm |
15 mm |
15 mm |
15 mm |
15 mm |
|
T/B 15 mm (Default) |
15 mm |
3 mm |
3 mm |
15 mm |
| Note: |
| The printer automatically detects the dimensions of the paper that is loaded. Print data that exceeds the printable area of the paper cannot be printed. |
|
Paper feed method |
Friction |
|
Paper path |
Roll paper or cut sheets with manual insertion |
|
Dimensions (printing) |
Width: 1,865 mm (73.4 inches) |
|
Weight |
Approx. 132 kg (291 lb) with stand |
|
|
Rated 100 V to 240 V |
|
|
Input voltage range |
90 to 264 V |
|
|
Rated frequency range |
50 to 60 Hz |
|
|
Input frequency range |
49 to 61 Hz |
|
|
Rated current |
1.4 - 0.7 A |
|
|
Power consumption |
Approx. 130.5 W (ISO10561 Letter Pattern) |
|
| Note: |
| Check the label on the back of the printer for voltage information. |
|
Temperature |
Operation: |
10 to 35°C (50 to 95°F) |
|
Humidity |
Operation: |
20 to 80% RH** |
| * Stored in shipping container |
| ** Without condensation |
Operational conditions (temperature and humidity):
|
Hardware initialization at power on: |
|
|
|
The printer mechanism is set to its initial state. |
|
Software initialization when the ESC@ (initialize the printer) command is received: |
|
|
|
The print buffer is cleared. |
|
Panel button initialization by pressing the Pause button on the control panel for 3 seconds, or *INI signal is send: |
|
|
|
Print head capping occurs. |
Safety |
UL 1950 EN 60950 |
EMC |
FCC part 15 subpart B class A EN 55022 Class A |
| Warning: |
| This is a class A product. In a domestic environment this product may cause radio interference in which case the user may be required to take adequate measures. |
| Note: |
| Since the quality of any particular brand or type of paper may be changed by the manufacturer at any time, EPSON cannot attest to the quality of any non-EPSON brand or type of paper. Always test samples of paper before purchasing large quantities or printing large jobs. |
Roll paper:
Size |
210 to 1118 mm (W) x 45000 mm (L)
210 to 1118 mm (W) x 202000 mm (L) |
Outer diameter |
103 mm (4.05 inches) maximum for standard/optional 2-inch roll paper spindle |
Paper types |
Plain paper, special papers distributed by EPSON |
Thickness |
0.08 to 0.50 mm (0.003 to 0.019 inches) |
Weight |
64 gf/m2 (17 lb) to 90 gf/m2 (24 lb) |
Cut sheets:
Size |
Super B0 (1118 x 1580 mm) |
Paper types |
Plain paper, special papers distributed by EPSON |
Thickness |
0.08 to less than 0.11 mm |
Weight |
64 gf/m2 (17 lb) to 90 gf/m2 (24 lb) |
| Note: |
|
|
|
Use paper under the following conditions: |
||
|
|
Temperature 15 to 25°C (59 to 77°F) |
|
|
EPSON Photo Quality Glossy Film should be stored under the following conditions: |
||
|
|
Temperature 15 to 30°C (59 to 86°F) |
|
ColorFast
Colors |
Black |
T511011 |
Dye
Colors |
Black |
T499011 |
|
Cartridge life(ColorFast) |
2 years from production date if unopened; |
|
|
Cartridge life(Dye) |
2 years from production date if unopened; |
|
|
Temperature |
Storage (uninstalled): |
-30 to 40°C (-22 to 105°F) |
|
|
Storage (installed): |
-20 to 40°C (-4 to 104°F) |
|
Dimensions |
168 mm (W) x 344 mm (D) x 30.3 mm (H) |
|
|
Weight |
Approx. 860 g (1.9 lb.) |
|
|
Capacity |
500 ml |
|
| Caution: |
|
|
|
Next |
| Version 1.00E, Copyright © 2001, SEIKO EPSON CORPORATION |