Reference Guide

Index
Search
Glossary
Contents
Help

The Control Panel

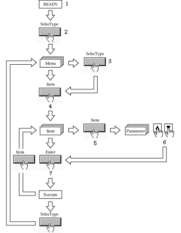
SelecType in Summary

SelecType mode chart
SelecType menu list

SelecType mode chart

1

Status display

2

To forward to menu

3

To select menu
ex) If you want to select the third menu, press this button three times.

4

To access the menu

5

To select items
ex) If you want to select the third item, press this button three times.

6

To set parameters

7

To access the item

Note:
Press the Pause button any time to return to the READY status.


[Top]

SelecType menu list

* Factory set value

Menu

Item

Parameters

PRINTER SETTING MENU

PLATEN GAP

AUTO*, WIDE

PAGE LINE

ON*, OFF

INTERFACE

AUTO*, PARA.USB, OPTION1, and OPTION2

CODE PAGE

PC437*, PC850

ROLL MARG

T/B 15 MM*, 3 MM, 15 MM

PAPER SIZE CHK

ON*, OFF

PAPER ALIGN CHK

ON*, OFF

INIT. PANEL

EXEC.

TEST PRINT MENU

NOZZLE CHECK

PRINT

STATUS CHECK

PRINT

PRINTER STATUS
MENU

VERSION

XXXXXX

INK LEFT-K

EF to E    F, 10 to 0%

INK LEFT-C

EF to E    F, 10 to 0%

INK LEFT-M

EF to E    F, 10 to 0%

INK LEFT-LC

EF to E    F, 10 to 0%

INK LEFT-LM

EF to E    F, 10 to 0%

INK LEFT-Y

EF to E    F, 10 to 0%

CUTTER LIFE

EF to E    F

TOTAL PRINTS

(nnnnnn)

WASTE INK

EF to E    F

CR MOTOR

EF to E    F

PF MOTOR

EF to E    F

HEAD UNIT

EF to E    F

CLEANER

EF to E    F

PAPER CONFIG. MENU

PAPER NUMBER

STD*, 1 to 4

THICK. PAT.

PRINT

PAPER THICK. NO.

1 to 17

DRYING TIME

0* to 30 MIN

SUCTION

NORM*, LOW

CUTTER REPLACE MENU

CUT. REPLACE

EXEC.

OPEN LOWER COVER

-

REPLACE CUTTER

-

CLOSE LOWER COVER

-

HEAD ALIGNMENT MENU

PAPER THICK.

STD*, 0.0 MM to 1.6 MM
(0.1 mm step)

ADJUST. PATT.

-

#1

1 to 15 (8*)

#2

1 to 15 (8*)


[Top]


Previous

Next
Version 1.00E, Copyright © 2001, SEIKO EPSON CORPORATION