Reference Guide

Index
Search
Glossary
Contents
Help

Product Information

Printer Specifications

Printing
Printable area
Mechanical
Electrical
Environmental
Initialization
Standards and Approvals
Paper
Ink cartridges

Printing

Printing method

On-demand ink jet

Nozzle configuration

Black: 180 nozzles
Color: 180 nozzles x 5
(cyan, magenta, yellow, light cyan, light magenta)

Character mode:

Character Pitch

Printing Column

10 cpi*

437

*  characters per inch

Raster graphics mode:

Horizontal resolution

Printable width

Available dots

360 dpi*

1112 mm
(43.78 inches)

15762

720 dpi

1112 mm
(43.78 inches)

31524

1440 dpi

1112 mm
(43.78 inches)

63048

*  dots per inch

Resolution

Maximum 1440 dpi x 720 dpi

Print direction

Bidirectional

Control code

ESC/P Raster

Line spacing

1/6 inch or programmable in 1/720 inch increments

Paper feed speed

200 ± 10 mm seconds per 1/6 inch line

RAM

External 128 MB (fixed)

Character tables

PC 437 (US, Standard Europe),
PC 850 (Multilingual)

Character sets

EPSON Courier 10 cpi


[Top]

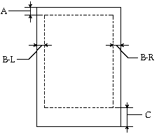
Printable area

Roll paper and cut sheets

A

For roll paper, the minimum top margin is 3.0 mm (0.12")*.
For cut sheets, the minimum top margin is 3.0 mm (0.12").

B-L

For roll paper, the minimum left margin is 3.0 mm (0.12")*.
For cut sheets, the minimum left margin is 3.0 mm (0.12").

B-R

For roll paper, the minimum right margin is 3.0 mm (0.12")*.
For cut sheets, the minimum right margin is 3.0 mm (0.12").

C

For roll paper, the minimum bottom margin is 3.0 mm (0.12")*.
For cut sheets, the minimum bottom margin is 14.0 mm (0.55").

*  For roll paper, the following margin widths can be selected using the control panel as follows. For details, see "ROLL MARG" in Printer Setting menu (PRINTER SETTING MENU).

Parameter

A

B-L

B-R

C

3 mm

3 mm

3 mm

3 mm

3 mm

15 mm

15 mm

15 mm

15 mm

15 mm

T/B 15 mm (Default)

15 mm

3 mm

3 mm

15 mm

Note:
The printer automatically detects the dimensions of the paper that is loaded. Print data that exceeds the printable area of the paper cannot be printed.


[Top]

Mechanical

Paper feed method

Friction

Paper path

Roll paper or cut sheets with manual insertion

Dimensions (printing)

Width: 1,865 mm (73.4 inches)
Depth: 710 mm (28.0 inches)
Height: 1,225 mm (48.2 inches)

Weight

Approx. 132 kg (291 lb) with stand


[Top]

Electrical

Rated 100 V to 240 V

Input voltage range

90 to 264 V

Rated frequency range

50 to 60 Hz

Input frequency range

49 to 61 Hz

Rated current

1.4 - 0.7 A

Power consumption

Approx. 130.5 W (ISO10561 Letter Pattern)
29 W or less in sleep mode

Note:
Check the label on the back of the printer for voltage information.


[Top]

Environmental

Temperature

Operation:
Storage:
Transit:

10 to 35°C (50 to 95°F)
-20 to 40°C (-4 to 104°F)
-20 to 60°C (-4 to 140°F)*
1 month at 40°C (104°F)
120 hours at 60°C (140°F)

Humidity

Operation:
Storage:
Transit:

20 to 80% RH**
20 to 85% RH**
5 to 85% RH*,**

*  Stored in shipping container
**  Without condensation

Operational conditions (temperature and humidity):


[Top]

Initialization

Hardware initialization at power on:

The printer mechanism is set to its initial state.
The input data buffer and print buffer are cleared.
The printer returns to the default condition last set.

Software initialization when the ESC@ (initialize the printer) command is received:

The print buffer is cleared.
The printer returns to the default condition last set.

Panel button initialization by pressing the Pause button on the control panel for 3 seconds, or *INI signal is send:

Print head capping occurs.
Paper is ejected, if any.
The input data buffer and print buffer are cleared.
The printer returns to the default condition last set.


[Top]

Standards and Approvals

Safety

UL 1950
CSA 22.2 No. 950
Low Voltage Directive 73/23/EEC

EN 60950
EN 60825

EMC

FCC part 15 subpart B class A
CSA C108.8 class A
AS/NZS 3548 class A
EMC Directive 89/336/ECC

EN 55022 Class A
EN 55024
EN 61000-3-2
EN 61000-3-3

Warning:
This is a class A product. In a domestic environment this product may cause radio interference in which case the user may be required to take adequate measures.


[Top]

Paper

Note:
Since the quality of any particular brand or type of paper may be changed by the manufacturer at any time, EPSON cannot attest to the quality of any non-EPSON brand or type of paper. Always test samples of paper before purchasing large quantities or printing large jobs.

Roll paper:

Size

210 to 1118 mm (W) x 45000 mm (L)
(8.26 to 44.02 inches x 1771.65 inches) (Internal diameter: 2 inches)

210 to 1118 mm (W) x 202000 mm (L)
(8.26 to 44.02 inches x 7952.76 inches) (Internal diameter: 3 inches)

Outer diameter

103 mm (4.05 inches) maximum for standard/optional 2-inch roll paper spindle
150 mm (5.90 inches) maximum for optional 3-inch roll paper spindle

Paper types

Plain paper, special papers distributed by EPSON

Thickness
(for plain paper)

0.08 to 0.50 mm (0.003 to 0.019 inches)

Weight
(for plain paper)

64 gf/m2 (17 lb) to 90 gf/m2 (24 lb)

Cut sheets:

Size

Super B0 (1118 x 1580 mm)
B0 (1030 x 1456 mm)
B1 (728 x 1030 mm)
B2 (515 x 728 mm)
B3 (364 x 515 mm)
Super A0 (914 x 1292 mm)
A0 (841 x 1189 mm)
Super A1 (24 x 36 inches)
A1 (594 x 841 mm)
A2 (420 x 594 mm)
A3 (297 x 420 mm)
A4 (210 x 297 mm)
Super A3/B (329 x 483 mm)
US E (34 x 44 inches)
US D (22 x 34 inches)
US C (17 x 22 inches)
US B (11 x 17 inches)
Letter (8.5 x 11 inches)

Paper types

Plain paper, special papers distributed by EPSON

Thickness
(for plain paper)

0.08 to less than 0.11 mm
(0.003 to less than 0.004 inches)

Weight
(for plain paper)

64 gf/m2 (17 lb) to 90 gf/m2 (24 lb)

Note:
  • Poor quality paper may reduce print quality and cause paper jams or other problems. If you encounter problems, switch to a higher grade of paper.
  • Do not load curled or folded paper.

Use paper under the following conditions:

Temperature 15 to 25°C (59 to 77°F)
Humidity 40 to 60% RH

EPSON Photo Quality Glossy Film should be stored under the following conditions:

Temperature 15 to 30°C (59 to 86°F)
Humidity 20 to 60% RH


[Top]

Ink cartridges

ColorFast

Colors

Black
Yellow
Magenta
Cyan
Light Magenta
Light Cyan

T511011
T512011
T513011
T514011
T515011
T516011

Dye

Colors

Black
Yellow
Magenta
Cyan
Light Magenta
Light Cyan

T499011
T500011
T501011
T502011
T503011
T504011

Cartridge life(ColorFast)

2 years from production date if unopened;
within 6 months after opening package.

Cartridge life(Dye)

2 years from production date if unopened;
within 2 years after opening package.

Temperature

Storage (uninstalled):

-30 to 40°C (-22 to 105°F)
1 month at 40°C (104°F)

Storage (installed):

-20 to 40°C (-4 to 104°F)
1 month at 40°C (104°F)
120 hours at 60°C (140°F)

Dimensions

168 mm (W) x 344 mm (D) x 30.3 mm (H)
(6.62 (W) x 13.54 (D) x 1.19 (H) inches)

Weight

Approx. 860 g (1.9 lb.)

Capacity

500 ml

Caution:
  • If you are using ColorFast type ink cartridges, shake the ink cartridge gently before installing it for best results.
  • EPSON recommends the use of original EPSON ink cartridges only. Other products not manufactured by EPSON may cause damage to your printer not covered by EPSON's warranties.
  • Do not use an ink cartridge if the expiry date has passed.


[Top]


Next
Version 1.00E, Copyright © 2001, SEIKO EPSON CORPORATION