|  
       
  | 
     
      
  | 
  |||||||||||||||||||||||||||||||||
The Control Panel
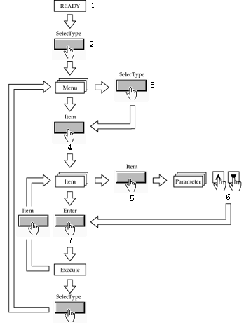
SelecType mode chart
SelecType menu list
| 
 1  | 
 Status display  | 
| 
 2  | 
 To forward to menu  | 
| 
 3  | 
 
To select menu  | 
| 
 4  | 
 To access the menu  | 
| 
 5  | 
 
To select items  | 
| 
 6  | 
 To set parameters  | 
| 
 7  | 
 To access the item  | 
| Note: | 
| Press the Pause button any time to return to the READY status. | 
| * Factory set value | 
| 
 Menu  | 
 Item  | 
 Parameters  | 
| 
 PRINTER SETTING MENU  | 
 PLATEN GAP  | 
 AUTO*, WIDE  | 
| 
 PAGE LINE  | 
 ON*, OFF  | 
|
| 
 INTERFACE  | 
 AUTO*, PARA.USB, OPTION1, and OPTION2  | 
|
| 
 CODE PAGE  | 
 PC437*, PC850  | 
|
| 
 ROLL MARG  | 
 T/B 15 MM*, 3 MM, 15 MM  | 
|
| 
 PAPER SIZE CHK  | 
 ON*, OFF  | 
|
| 
 PAPER ALIGN CHK  | 
 ON*, OFF  | 
|
| 
 INIT. PANEL  | 
 EXEC.  | 
|
| 
 TEST PRINT MENU  | 
 NOZZLE CHECK  | 
 | 
| 
 STATUS CHECK  | 
 | 
|
| 
 
PRINTER STATUS  | 
 VERSION  | 
 XXXXXX  | 
| 
 INK LEFT-K  | 
 
E  | 
|
| 
 INK LEFT-C  | 
 
E  | 
|
| 
 INK LEFT-M  | 
 
E  | 
|
| 
 INK LEFT-LC  | 
 
E  | 
|
| 
 INK LEFT-LM  | 
 
E  | 
|
| 
 INK LEFT-Y  | 
 
E  | 
|
| 
 CUTTER LIFE  | 
 
E  | 
|
| 
 TOTAL PRINTS  | 
 (nnnnnn)  | 
|
| 
 WASTE INK  | 
 
E  | 
|
| 
 CR MOTOR  | 
 
E  | 
|
| 
 PF MOTOR  | 
 
E  | 
|
| 
 HEAD UNIT  | 
 
E  | 
|
| 
 CLEANER  | 
 
E  | 
|
| 
 PAPER CONFIG. MENU  | 
 PAPER NUMBER  | 
 STD*, 1 to 4  | 
| 
 THICK. PAT.  | 
 | 
|
| 
 PAPER THICK. NO.  | 
 1 to 17  | 
|
| 
 DRYING TIME  | 
 0* to 30 MIN  | 
|
| 
 SUCTION  | 
 NORM*, LOW  | 
|
| 
 CUTTER REPLACE MENU  | 
 CUT. REPLACE  | 
 EXEC.  | 
| 
 OPEN LOWER COVER  | 
 -  | 
|
| 
 REPLACE CUTTER  | 
 -  | 
|
| 
 CLOSE LOWER COVER  | 
 -  | 
|
| 
 HEAD ALIGNMENT MENU  | 
 PAPER THICK.  | 
 
STD*, 0.0 MM to 1.6 MM  | 
| 
 ADJUST. PATT.  | 
 -  | 
|
| 
 #1  | 
 1 to 15 (8*)  | 
|
| 
 #2  | 
 1 to 15 (8*)  | 
Previous  | 
  
  
  Next  | 
  
 
| Version 1.00E, Copyright © 2001, SEIKO EPSON CORPORATION |